With industry-leading 150L/S capacity and 100mm inlet design, the ZJP 150A Roots pump excels in chemical, pharmaceutical, and food processing systems. Adaptive pressure control ensures stable operation under 5300Pa differential pressure.

Special-curvature figure-8 rotors achieve 150L/S capacity at 2900rpm, 50% faster than standard models. 0.03mm clearance control ensures zero-wear operation.
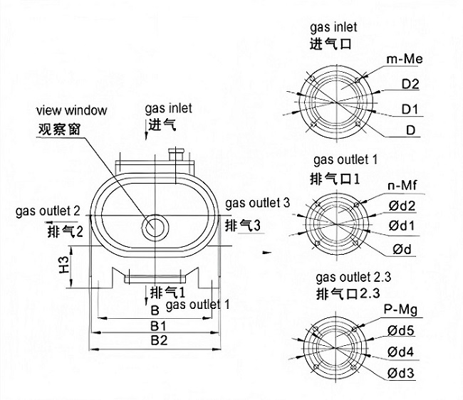
Sensor-equipped bypass valve reacts within 0.1 seconds at 5300Pa threshold, reducing backing pump load by 30%+ during pressure spikes.
Supports triple-stage configuration (ZJP 150A×2 + backing pump) for 0.005Pa ultimate vacuum. Quick-connect flanges enable flexible installation.
.


Challenge: 12-hour drying cycle with conventional equipment
Solution: ZJP 150A + liquid ring pump system
Result: Cycle time reduced to 6.5 hours, energy saving 42%
Requirement: Continuous operation with toluene vapors
Customization: Nickel-alloy coating + dual mechanical seals
Outcome: 12,000+ hours uninterrupted operation, 55% efficiency gain
Q1: Why 2.2KW motor for 150L/S capacity?
► Permanent magnet synchronous motor with VFD control maintains 92% efficiency, 18% more energy-saving than standard motors.
Q2: Handling high-humidity gases?
► Optional inlet preheater (50-80℃ adjustable) prevents condensation in freeze-drying applications.
Q3: Maximum pipeline length?
► Recommended: ≤3m (DN100 inlet), ≤5m (DN80 outlet). Longer pipelines require vacuum stabilizers.
Q4: Difference from ZJP 70A model?
► 114% higher speed, 47% more power, suitable for ≥5m³ vacuum chambers.
Q5: IoT compatibility?
► Optional module monitors 12 parameters (speed, temperature, etc.) with PC/mobile control.
Q6: Maintenance cost?
► Lifetime lubrication gearbox, only requires seal replacement every 8000h (~$170/set).
Q7: High-altitude operation?
► Standard models work ≤3000m. Free customization available for higher elevations.
Q8: Power failure protection?
► Automatic inlet closure within 0.5s prevents backflow damage.
Q9: Handling gas flow surges?
► Buffer chamber withstands 200L/S instant flow, with PID speed adjustment.
Q10: Certifications?
► ISO 8573-1 Class 0 oil-free, CE, China Energy Efficiency Certification (CQC).
Tags :