Powered by a 21KW high-efficiency motor with innovative triple-chamber noise reduction design maintaining operation below 88dB. Specially hardened rotors exceed 40,000 hours service life, making it ideal for large-scale vacuum systems.

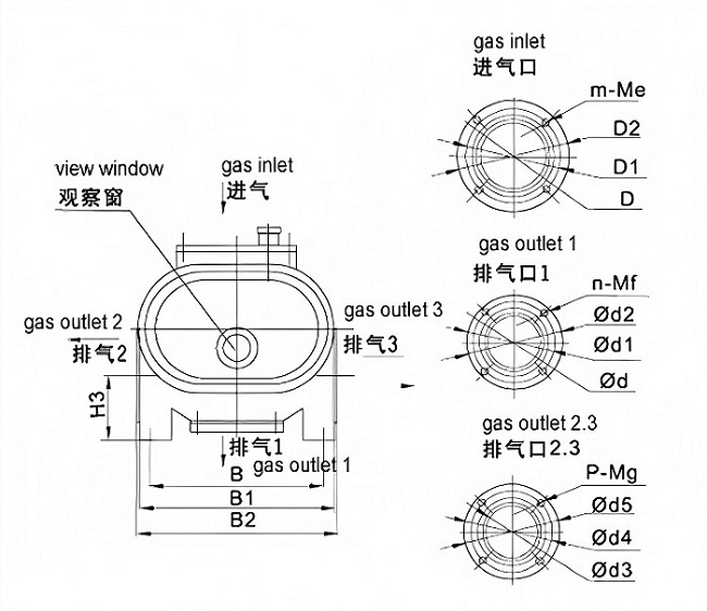
Appearance installation dimensions
|
Model |
ZJP-30A |
ZJP-70A |
ZJP-150A |
ZJP-300A |
ZJP-600A |
ZJP-900A |
ZJP-1200A |
ZJP-2500A |
ZJP-4000A |
|
L |
790 |
790 |
900 |
1060 |
1300 |
1400 |
1530 |
1800 |
2200 |
|
B |
250 |
250 |
210 |
210 |
260 |
365 |
500 |
410 |
600 |
|
B1 |
280 |
280 |
320 |
280 |
315 |
425 |
540 |
468 |
720 |
|
A |
190 |
190 |
270 |
290 |
420 |
420 |
460 |
600 |
600 |
|
A1 |
240 |
240 |
340 |
340 |
500 |
510 |
500 |
700 |
700 |
|
A2 |
195 |
195 |
220 |
280 |
330 |
435 |
435 |
455 |
510 |
|
H |
300 |
300 |
415 |
410 |
535 |
560 |
560 |
745 |
810 |
|
H1 |
80 |
80 |
115 |
120 |
140 |
155 |
155 |
175 |
200 |
|
K |
12 |
12 |
14 |
18 |
18 |
18 |
18 |
23 |
230 |
|
D |
80 |
80 |
100 |
160 |
200 |
250 |
250 |
250 |
320 |
|
D1 |
125 |
125 |
145 |
200 |
260 |
310 |
310 |
310 |
395 |
|
D2 |
145 |
145 |
165 |
225 |
285 |
335 |
335 |
335 |
425 |
|
n |
8 |
8 |
8 |
8 |
12 |
12 |
15 |
12 |
12 |
|
中 |
M8 |
M8 |
M8 |
M8 |
M10 |
M10 |
M10 |
M10 |
M12 |
|
d |
50 |
50 |
80 |
100 |
160 |
220 |
200 |
200 |
250 |
|
d1 |
90 |
90 |
125 |
145 |
200 |
260 |
260 |
260 |
310 |
|
d2 |
110 |
110 |
145 |
165 |
225 |
285 |
285 |
285 |
335 |
|
n1 |
4 |
4 |
8 |
8 |
8 |
12 |
12 |
12 |
12 |
|
φ1 |
M8 |
M8 |
M8 |
M8 |
M10 |
M10 |
M10 |
M10 |
M10 |


Performance Parameter
|
Model specifications |
ZJY-30A |
ZJY-70A |
ZJY-150A |
ZJY-300A |
ZJY-600A |
ZJY-900A |
ZJY-4000A |
|||
|
Nominal pumping speed L/S |
30 |
70 |
150 |
300 |
600 |
900 |
1200 |
2500 |
4000 |
|
|
the limit |
Partial pressure Pa |
0.05 |
0.05 |
0.05 |
0.05 |
0.05 |
0.05 |
0.05 |
0.05 |
0.05 |
|
|
|
|
|
|
|
|
|
|
|
|
|
pressure |
Full pressure Pa |
0.5 |
0.5 |
0.5 |
0.5 |
0.5 |
0.5 |
0.5 |
0.5 |
0.5 |
|
Maximum zero flow compression ratio |
35 |
35 |
40 |
40 |
45 |
45 |
50 |
55 |
55 |
|
|
Valve controlled pressure difference Pa |
5300 |
5300 |
5300 |
4300 |
4300 |
3000 |
2700 |
2700 |
2700 |
|
|
Inlet diameter mm |
80 |
80 |
100 |
160 |
200 |
250 |
250 |
250 |
320 |
|
|
Exhaust port diameter mm |
50 |
50 |
80 |
100 |
160 |
200 |
200 |
200 |
250 |
|
|
Equipped with motor power KW |
1.5 |
1.5 |
2.2 |
4 |
5.5 |
7.5 |
7.5 |
18.5 |
21 |
|
|
Motor synchronous speed rpm |
1450 |
2900 |
2900 |
2900 |
2900 |
2900 |
2900 |
2900 |
2900 |
|
|
Noise dB (A) |
76 |
76 |
78 |
80 |
82 |
84 |
85 |
87 |
|
|
Fifth-generation "∞" shaped rotor design with plasma-sprayed tungsten carbide coating (HRA93 hardness). Integrated temperature/vibration monitoring with real-time alerts.
• VFD speed control: >35% energy savings
• Heat recovery: 90% waste heat utilization
• Intelligent bypass valve: Auto-adjusts when ΔP >2700Pa
Standard: Paired with screw pump (general industry)
Corrosion-resistant: Hastelloy C276 (strong acids)
Sterile: Full SS + steam sterilization (pharma/food)
Military-Grade Reliability: Aerospace materials with >45,000 hours MTBF
IoT Connectivity: 5G remote monitoring & predictive maintenance
Ultra-Low Vibration: Patented balancing technology (50% below GB)
Energy Efficient: Meets GB30253-2013 Class 1 standards
Rapid Response: 100 service centers nationwide (24-hour onsite)
Custom Solutions: Special gases/extreme conditions
Extended Life: 5-year/40,000-hour rotor warranty
Global Certifications: CE, ATEX, ASME compliant
In a Chinese fusion project, six ZJY-4000A units achieved 10⁻⁴Pa ultra-high vacuum with 200-day continuous operation.
Provided vacuum systems for satellite manufacturers meeting strict aerospace standards (±1.5% speed stability).
FDA-certified sterile configuration increased production speed by 50% with 99.95% product qualification rate.
Q1: How is 4000L/S pumping speed verified?
ISO21360 standard testing with laser flow meters, including third-party reports.
Q2: Explosion-proof options?
Available with ExdⅡCT4 rating (ATEX/IECEx certified).
Q3: Maintenance costs?
Annual cost 2-4% of equipment value, much lower than imported equivalents.
Q4: Handling high-humidity gases?
Recommended condenser + gas ballast, handles up to 100% RH.
Q5: Vibration solutions?
Onsite dynamic balancing service reduces vibration to <2.0mm/s.
Q6: Energy-saving retrofits?
Optimal solution: VFD + heat recovery + smart control (45%+ savings).
Q7: Spare parts lead time?
Standard parts 24-hour delivery, special components within 5 workdays.
Q8: Low-temperature operation?
-20°C version with heating system and low-temp lubricant.
Q9: Remote monitoring?
Optional 5G module for multi-terminal real-time monitoring.
Q10: After-sales policy?
3-year full warranty, lifetime support, VIP service channel.
Tags :