The cold cathode gauge IKR series is particularly suitable for high vacuum applications

Cold cathode vacuum gauge IKR series product advantages:
1. Smaller range: 1E-9 hPa (old vacuum gauge: 2E-9 hPa)
2. More compact design, smaller size:
3. Minimize magnetic leakage, the magnetic field is weaker
4. The internal sealing ring of the new vacuum gauge is made of metal
5. According to the actual application of customers, provide strong/weak current models for selection
6. The new vacuum gauge has a longer service life, innovative double-chamber design, and fewer parts
7. There are corrosion-resistant models for selection
| Cold cathode vacuum gauge IKR series technical data: | ||||||||||||||||||||||||||||||||||||||||||||||||
|
• IKR 360 Low current: for vacuum processes in medium and high vacuum
IKR 360 High current: for vacuum processes with high and ultra-high vacuum

Cold cathode vacuum gauge IKR series size and pumping speed:
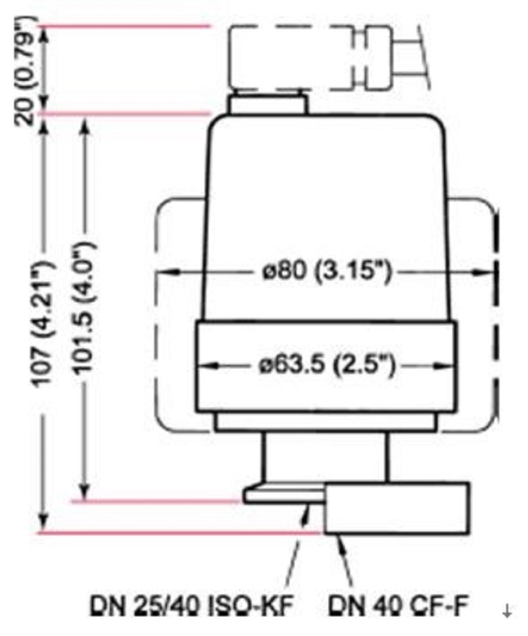
Cold cathode vacuum gauge IKR 360 dimensional drawing:
.
Cold cathode gauge IKR 251 dimensional drawing:


Cold cathode gauge IKR 251 Cold cathode gauge IKR long case
Cold cathode vacuum gauge IKR series models on sale:
Cold cathode vacuum gauge IKR 360, low current, DN 25 ISO-KF
Cold cathode gauge IKR 360 C, low current, ceramic coating, DN 25 ISO-KF
Cold cathode vacuum gauge IKR 360, low current, DN 40 ISO-KF
Cold cathode vacuum gauge IKR 360 C, low current, ceramic coating, DN 40 ISO-KF
Cold cathode gauge IKR 360, low current, DN 40 CF-F
Cold cathode gauge IKR 360 C, low current, ceramic coating, DN 40 CF-F
Cold cathode vacuum gauge IKR 361, high current, DN 25 ISO-KF
Cold cathode gauge IKR 361 C, high current, ceramic coating, DN 25 ISO-KF
Cold cathode gauge IKR 361, high current, DN 40 ISO-KF
Cold cathode vacuum gauge IKR 361 C, high current, ceramic coating, DN 40 ISO-KF
Cold cathode gauge IKR 361, high current, DN 40 CF-F
Cold cathode gauge IKR 361 C, high current, ceramic coating, DN 40 CF-F
Cold cathode gauge IKR 251, FPM sealed, DN 25 ISO-KF
Cold cathode gauge IKR 251, FPM sealed, DN 40 ISO-KF
Cold cathode gauge IKR 251, FPM sealed, DN 40 CF-F
Cold cathode gauge IKR 261, metal sealed, DN 40 ISO-KF
Cold cathode gauge IKR 261, metal sealed, extended, DN 40 CF-F
Cold cathode gauge IKR 270, metal sealed, extended, DN 40 CF-F
Cold cathode gauge IKR 270 metal seal, DN 40 CF-F
Tags :